1 2 3

公司公告

您的位置:首页 > 新闻动态 > 公司公告公司公告

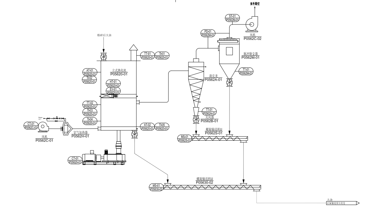
江苏汇福蛋白科技有限公司大杂粉碎灭活综合利用项目安全生产条件和设施综合分析报告信息公开表

作者:江苏广东会 发布于:2025-07-18 点击量:77

机构名称

江苏广东会安全环境科技有限公司

项目名称

江苏汇福蛋白科技有限公司大杂粉碎灭活综合利用项目安全生产条件和设施综合分析报告

勘察时间

2025年5月

项目基本情况

江苏汇福蛋白科技有限公司位于泰州市高港区永安洲镇疏港北路西侧,是三河汇福粮油集团有限公司的全资子公司。企业成立于2014年3月28,法人代表王振山,注册资本40000万元,占地近152980m2亩。企业经营范围为从事加工、销售大豆、植物油、豆粕及副产品;粮食、预包装食品进出口业务。江苏汇福蛋白科技有限公司主要从事饲料蛋白的生产和销售。现有员工约200人。

重大危险源情况

根据《危险化学品目录(2015版)》(国家安监总局等十部门〔2015〕第5号公告,〔2022〕第8号修订),本项目不涉及危险化学品。

根据《国家安全监管总局办公厅关于印发<工贸行业重点可燃性粉尘目录(2015版)>和<工贸行业可燃性粉尘作业场所工艺设施防爆技术指南(试行)>的通知》(安监总厅管四〔2015〕84号),本项目涉及的物料粉尘(如大豆粉)属于可燃性粉尘,因此存在粉尘爆炸危险环境。

根据《首批重点监管的危险化工工艺目录的通知》(安监总管三[2009]116号)、《国家安全监管总局关于公布第二批重点监管危险化工工艺目录和调整首批重点监管危险化工工艺中部分典型工艺的通知》(安监总管三[2013]3号)及《关于规范化工企业自动控制技术改造工作的意见》(苏安监[2009]109号),本项目不涉及危险化工工艺。

根据《关于规范化工企业自动控制技术改造工作的意见》(苏安监[2009]109号),本项目不涉及高危储存设施。

项目在建成后的生产过程中,主要存在机械伤害、触电、火灾、爆炸(其他爆炸)、物体打击、高处坠落、灼烫、坍塌、噪声、高温、粉尘等危险有害因素。

项目实施情况

根据《建设项目安全设施“三同时”监督管理办法》(安监总局令第36号、经77号令修改)第九条“本办法第七条规定以外的其他建设项目,生产经营单位应当对其安全生产条件和设施进行综合分析,形成书面报告备查”的要求,对本建设项目的安全生产条件和设施进行综合分析。

评 价 结 论

江苏汇福蛋白科技有限公司大杂粉碎灭活综合利用项目的的安全生产条件和安全条件符合国家有关安全生产法律法规、标准规范的要求,通过采取安全技术措施,其风险程度能够达到可以接受的程度,项目建设可行。

项目组成员

杨湧

1600000000200457

二级

项目组成员

刘斌

1100000000201308

二级

项目组成员

邹井全

0800000000204968

二级

项目组成员

杨扣华

0800000000102522

一级

项目负责人

影 像 资 料



网站首页 - 关于我们 - 新闻动态 - 业务介绍 - 法律法规 - 职业危害知识 - 联系我们 - 在线留言 - 招聘信息
江苏广东会安全环境科技有限公司 版权所有 苏ICP备14038656号

在线客服

在线客服①
点击这里给我发消息
在线客服②
点击这里给我发消息